Structural Designer
Aller au contenu

Equipement industriel

Chiffrage
Passerelle technique usine Valé Nickel du grand sud
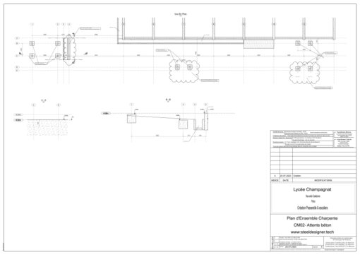
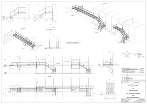
Passerelle Secours Lycée de Champagnat
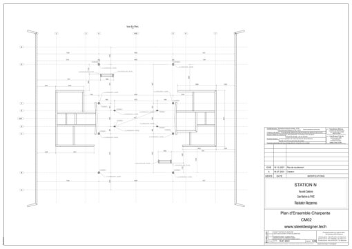
Mezzanine technique Station N
Passerelle Ondemia
Contact
Compagnon . F
Ingénieur Projeteur
5 ter Rue Barreau Marina Port du sud
98800 Nouméa Nouvelle Calédonie

Retourner au contenu